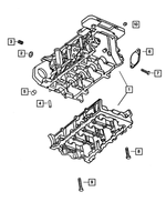
Cylinder Block for 2003 Dodge Neon

Vehicle

2003 Dodge Neon

Change Vehicle

Categories

Browse Categories
Cylinder Block for 2003 Dodge Neon #0 Cylinder Block for 2003 Dodge Neon #1
No.
Part # / Description / Price
Price
2
Engine Block Heater Cord
Mopar Mopar
Notes: Engines: 2.0L I4 SOHC 16V HI PERF ENGINE. 2.0L I4 SOHC 16V SMPI ENGINE.
No.
Part # / Description / Price
Price
7
Hex Head Screw And Washer
Mopar Mopar
Notes: Engines: 2.4L I4 DOHC 16V HO TURBO ENGINE. Transmissions: 5-SPEED MANUAL T350 TRANSMISSION. 5-SPEED MANUAL T850 TRANSMISSION.
Description: M6x1x18. Camshaft Sensor mounting. Canshaft sensor attaching. M6x1.001x18.00. Vehicle speed sensor. To Manifold. Balance Shaft Cover. Oil Level Indicator Tube To Engine Block.